繁體中文
|
English
關於以利亞
公司簡介
服務流程
服務對象
專利證照
致謝獎牌
廚房設計概念
檢定考場自評
中餐檢定教室自評表
西餐檢定教室自評表
烘焙檢定教室自評表
中式麵食檢定教室自評表
飲料檢定教室自評表
GHP
HACCP
商用廚房
鐵板燒
檢定考場
機關團體
醫療院所
比賽御用廚具
鐵板燒台設計案
大理石面材質
玻璃台面材質
皮革圍板材質
色板圍板材質
規格
竣工圖
聯絡我們
繁體中文
English
首頁
廚房設計概念
檢定考場自評
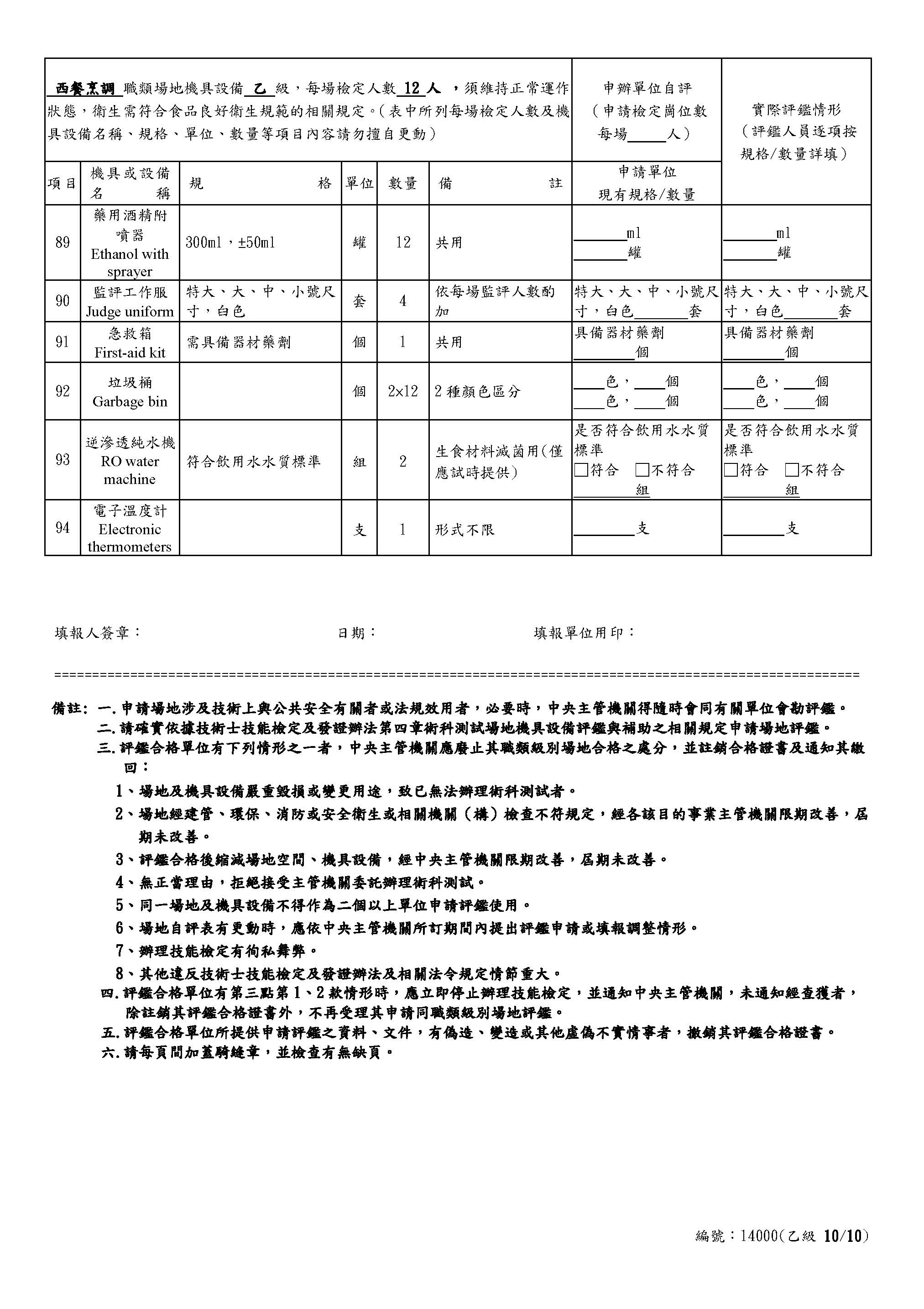
西餐檢定教室自評表
西餐檢定教室自評表
西餐檢定教室配置圖
2D平面配置圖
2D平面配置圖
實際竣工圖
西餐乙級自評表
西餐丙級自評表